Product Overview
MW203-500 8-inch Standard Mecanum Wheel
Independently developed by Kunda, this Mecanum wheel integrates a high-performance reducer. The product features a dual-wheel surface design and a large-diameter polyurethane wheel surface, providing a high friction coefficient and strong grip. Its core transmission adopts an independently developed parallel planetary reduction structure, offering advantages such as a compact structure, a wide speed ratio range, low operating noise, and strong impact resistance. Furthermore, the product supports a high degree of customization; parameters including speed ratio, motor brand and type, power, voltage, control feedback sensors, and wheel surface material can be flexibly configured to fully meet differentiated control requirements.
Product Features
Stronger
Higher load capacity compared to equivalent specifications.
More Efficient
High integration saves space and design time.
More Flexible
Supports customization to meet differentiated control needs.
More Economical
Higher cost-performance ratio than products with equivalent functions.

Product Features
Precise Steering
The hubs of the heavy-duty Mecanum wheel series are manufactured using a split-machining process with aviation-grade aluminum alloy, featuring high strength, excellent rigidity, and reliable durability, which maximizes the mechanical properties of the material.

Quiet, Wear-resistant, and Non-marking
The hubs of the heavy-duty Mecanum wheel series are manufactured using a split-machining process with aviation-grade aluminum alloy, featuring high strength, excellent rigidity, and reliable durability, which maximizes the mechanical properties of the material.

universal rotation
Forward, lateral, diagonal, rotation, and their combinations

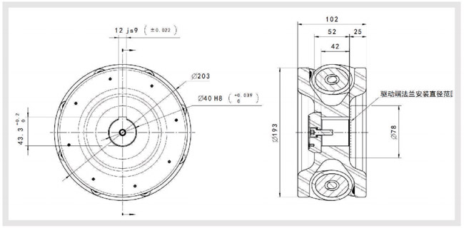
MW203-500-L/R
Product Ordering Diagram